Selasa, 20 Juli 2010

Tugas 8. Register seri dan Paralel

1. Register seri
Register seri adalah sebuah register dimana proses penyimpanan datanya dapat dilakukan secara serial.
Penyimpanan data secara seri dilakukan dengan memasukkan data per bit, misalnya dari
FF paling kiri digeser per bit ke kanan sampai semua FF terisi. Penyimpanan seperti ini
dinamakan "penyimpanan data geser kanan". Penggeseran data ini dikendalikan melalui
sinyal clock.
Gambar 6.1 menyatakan rangkaian penyimpanan data secara seri, yang menggunakan
FF data. Misalkan FF data yang dipilih akan mengambil data ketika sinyal clock mulai
turun (trailing-edge). Pengambilan data terjadi ketika sinyal clock bernilai rendah dan
penahanan data dilakukan ketika sinyal clock bernilai tinggi


 
                                                                      gambar 6.1

        Dalam rangkaian gambar 6.1 terlihat bahwa keluaran dari FF Q3, Q2 dan Q1 merupakan masukan  data  bagi  FF berikutnya.  Berikut  ini  disajikan  sebuah  contoh  bentuk  sinyal yang  dihasilkan  oleh  register  tersebut dalam bentuk diagram waktu .  Dari diagram  tersebut  terlihat  bahwa  data  yang  dimasukkan  ke  FF paling  kiri  digeser  ke kanan secara berkesinambungan dan untuk menyimpan data 4 bit secara seri diperlukan waktu empat kali periode clock-nya. 





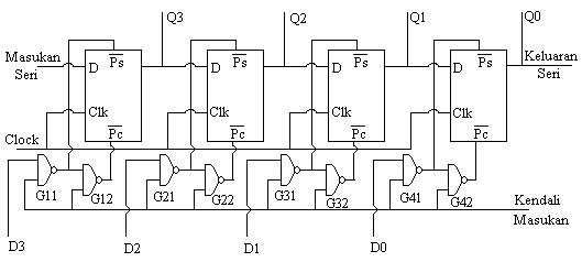
  2.  Register Paralel  
Register seri adalah sebuah register yang dapat menyimpan data dimana proses penyimpanan datanya dapat dilakukan secara paralel.

Penyimpanan data secara paralel dapat dipahami sebagai pemasukan data D3, D2, D1, dan D0 berturut-turut ke FF dengan keluaran berturut-turut Q3, Q2, Q1, dan Q0, secara serentak atau bersamaan (lihat gambar 6.3). Misalkan  FF data  yang  digunakan  dalam  rangkaian  ini  akan  mengambil  data  ketika sinyal  clock  berubah  menjadi  tinggi  dan  selama  sinyal  clock  bernilai  tinggi.  Pada  saat sinyal  clock  bernilai  rendah,  keluaran  FF dalam  keadaan  stabil  (menahan).  Dalam hubungan  ini  baik  masukan  seri  maupun  clock  dapat  dipasang  pada  nilai  rendah,sehingga  data  masukan  seri  tidak  mengubah  keluaran. 
 
Cara  kerja  dari  rangkaian penyimpan data secara paralel dapat dijelaskan sebagai berikut:

Ketika  Kendali  Masukan  diberi  nilai  "0",  maka  keluaran  dari  gerbang  G11,  G12, sampai  dengan  G42,  selalu  bernilai  "1".  Ini  berarti  bahwa  sinyal  Preset  dan  sinyal Preclear bernilai "1". Karena Preset dan Preclear dinyatakan aktif rendah, maka FFberfungsi  normal.  Namun  karena  clock  bernilai  nol,  maka  keluaran  FF akan  stabil (mempertahankan nilai semula). Dalam keadaan ini data lama ditahan, dan data baru tidak boleh masuk.   


                                                                       sekian














Sabtu, 03 Juli 2010

Tugas 7. Rangkaian Up/ Down Counter

        Down Counter adalah Counter yang dapat menghitung secara berurutan dari bilangan terbesar ke bilangan terkecil. 
Tabel PS/NS untuk Up dan Down Counter 3 bit seperti ditunjukan pada Tabel :



          Untuk membuat sebuah rangkaian Up Counter, lakukan langkah-langkah sintesa rangkaian yang telah dijelaskan sebelumnya. Dari hasil persamaan logika berdasarkan Tabel PS/NS di atas didapatkan rangkaian seperti di bawah ini :




               Dapat dilihat bahwa Down Counting merupakan kebalikan dari Up Counting, sehingga rangkaiannya masih tetap menggunakan rangkaian Up Counter, hanya outputnya diambilkan dari Q masing-masing Flip-flop. Bentuk rangkaian Down Counter adalah seperti gambar di bawah ini :



 
RANGKAIAN UP/DOWN COUNTER



            Rangkaian Up/Down Counter merupakan gabungan dari Up Counter dan Down Counter. Rangkaian ini dapat menghitung bergantian antara Up dan Down karena adanya input eksternal sebagai control yang menentukan saat menghitung Up atau Down. Pada gambar 4.4 ditunjukkan rangkaian Up/Down Counter Sinkron 3 bit. Jika input CNTRL bernilai ‘1’ maka Counter akan menghitung naik (UP), sedangkan jika input CNTRL bernilai ‘0’, Counter akan menghitung turun (DOWN).

                                                                                                    Sekian

Tugas 6. Penjumlahan Komplemen 2

Penjelasan Rangkaian:

Jika SUB=0 maka bit-bit B akan melewati EXOR tidak mengalami inversi, dalam hal ini FA menghasilkan S=A+B.

Jika SUB=1 maka FA akan menghasilkan S=A+B+1=A+B’.B’ merpresentasikan bilangan negatif, sehingga S=A-B.

CONTOH :

- Penambahan
SUB = 0 digunakan ketika melakukan penjumlahan.
Cth :
3 ==> 0011
2 ==> 0010
___+ _____+
0101 ==> 5

Pada contoh di atas, jika dimasukkan ke dalam rangkaian :
"Ketika SUB = 0 dimasukkan ke gerbang XOR bersama input dari B maka hasilnya akan sama dengan B itu sendiri. Dan semua bit yang diinputkan ke dalam FA ditambahkan seluruhnya sehingga menghasilkan Sum dan Carry Out."

- Pengurangan
SUB = 1 digunakan ketika melakukan pengurangan.
Cth :
9 ==> 1001
5 ==> 0101
___- _____-
Maka bilangan biner 5 dikomplemen 2-kan dulu dan tanda (-) berubah menjadi tanda (+).
9 ==> 1001 ==> 1001
5 ==> 0101 ==> 1011
___- _____- _____+
Tdk dianggap <== (1) 0100 ==> 4
Komplemen 2 pada pengurangan adalah : komplemen 1 + 1
Komplemen 1 adalah : inverter dari bilangan biner tsb.
Pada contoh di atas, jika dimasukkan ke dalam rangkaian :
"Ketika SUB = 1 dimasukkan ke gerbang XOR bersama input dari B maka hasilnya merupakan inverter B. Dan semua bit yang diinputkan ke dalam FA ditambahkan seluruhnya sehingga menghasilkan Sum dan Carry Out."